2 4 0 T U R B O . C O M
D A V E ' S   V O L V O   P A G E

Pin Function Diagrams
  240 Conversion Harness
LH 2.4 with EZK Ignition


Updated: February 1, 2026             CONTACT    
  D O  M  A  I  N  S
davebarton.com PrancingMoose.com 240Turbo.com
Payments and Policies
New Items
Cool Volvo Products 240 Modes & Fixes
Volvo                  Stickers Volvo                  SteeringWheel Labels Volvo Wire Harnesses Volvo Harness Parts, Terminals, Connectors.
Volvo Prancing Moose Stickers Other Car Stickers Volvo Conversion Harness. Volvo 960 coil harness repairs.
Volvo Underhood, Body and Chassis Sticker and                  Labels Other Car Stickers 740, 760, 780 Turbo Boost Faces Volvo Custom Black or White Faces.
240 Black Door Vinyl Stripes. Volvo 240 Window Scrapers Volvo 240 Odometer Repair Gears and Instructions.
Classic Auto AC Conversion Wheel Center Cap Overlays. Volvo Group A Racing Articles Prancing Moose, Volvo R-SPORT Horn Buttons, replica Alpina horn buttons 240 Hydraulic Clutch Volvo Adjustable Voltage Regulators
Electric Fan Diagrams Modified 240s
Volvo                  Vacuum Diagrams
Dave's 245                  Specs Used Volvo Stuff 240 big brakes
R-Sport                  apparel from Cafe Press
Prancing Moose Apparel from Cafe                  Press Favorite Links

NAVIGATE THESE PAGES
Pin Functions:
1980-82 240 B21F K-Jet
with Bosch Breakerless Ignition or
Computerized (Chrysler) Ignition
Pin Functions:
1981-85 240 Turbo B21FT K-Jet
with Bosch Breakerless Ignition
Pin Functions:
1983-84 240 B23F LH 2.0
 with Computerized (Chrysler) Ignition

Pin Functions:
1985-88 240 B230F LH 2.2
with Computerized (Chrysler) Ignition

Pin Functions:
740/760 4 cyl. B230F (1985-88)
or B230FT (1985-89). LH 2.2 with EZK Ignition.

Pin Functions:
1989-93 240 B230F
LH 2.4 with EZK Ignition

Pin Functions:
1989-92 740/760 B230F or FT
 LH 2.4 with EZK Ignition

Pin Functions:
1989-94 740/940
B230F REGINA EFI with Rex-I Ignition

Pin Functions:
1991+ 940 B230F or FT
 LH 2.4 with EZK Ignition

Pin Functions:
1989-93 740/940 16-valve
B234F/G, B204E, LH 2.4 with EZK Ignition

Pin Functions:
All years 240 (turbo or non-turbo)

LH 2.2 + EZ 117K Conversion Harness Pin Functions

THIS PAGE:
 All years 240 (turbo or non-turbo)

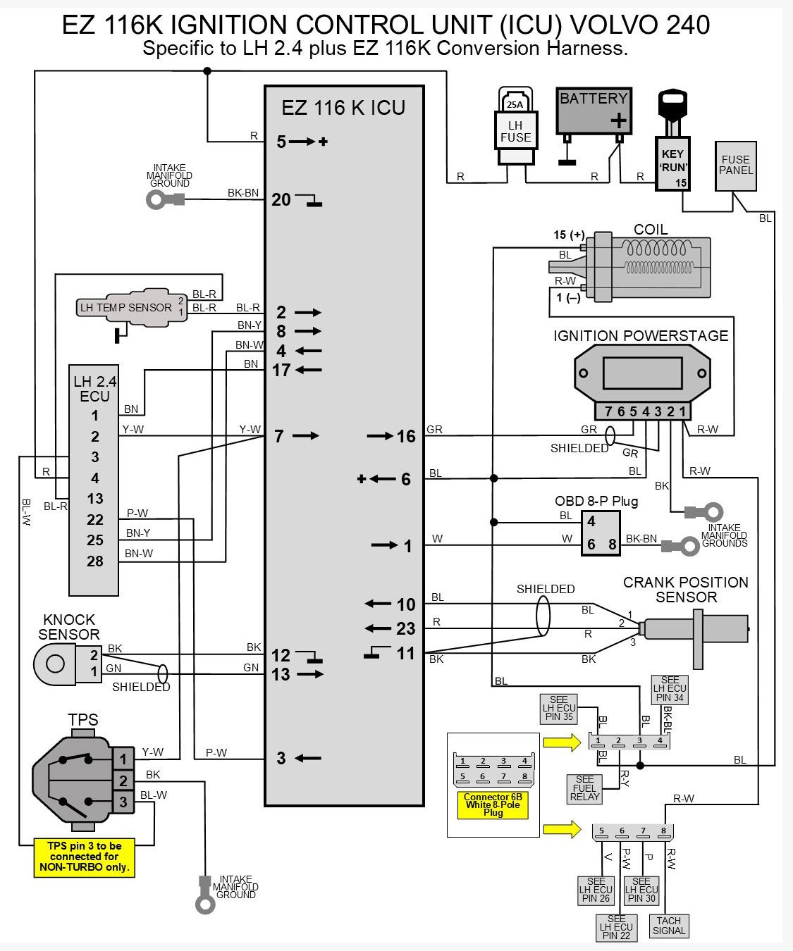
LH 2.4 + EZ 116K Conversion Harness Pin Functions

Pin functions:
240 Ignition KEY SWITCH

Pin functions:
240 INSTRUMENT CLUSTERS

Pin Functions:
Dash Harness Documentation Project.

1984 242 Turbo B21FT.

Pin Functions:
240 Headlight and Taillight
Diagrams

Page 1


Page 2
The fuel pump relay shown below requires a coil tachometer signal from the EZK pin 17 to the ECU pin 1 to activate a signal for the relay. More about this can be found in the Fuel Pump and Fuel Pump Relay Page.


Page 3


Page 4
The fuel pump relay shown in another diagram above requires a coil tachometer signal from the ICU pin 17 below to the ECU pin 1, which is used by the ECU to activate a signal for the fuel pump relay. The ICU below receives the engine speed signal from the Crank Position Sensor. More about this can be found in the Fuel Pump and Fuel Pump Relay Page.






davebarton.com
prancingmoose.com
240turbo.com
Special Emblems
Prancing Moose Stickers
Volvo Stickers
Body/Chassis/Engine Labels
240 MODS and FIXES Page
Other Car Brand Stickers
Steering Wheel Labels
Center Cap Labels/Overlays
Cool Volvo Products
Grill Labels/Overlays
Volvo Wire Harnesses
Conversion Harnesses
Harness Parts/Connectors
Volvo Relays
Coil Repair Harnesses
240 Window Scrapers
740/940 Window Scrapers
Adjustable Voltage Regulators
Horn Buttons
240 Odometer Repair
740 Odometer Repair
Volvo Gauge Faces
740 Turbo/Boost Faces
240 Black Door Vinyl
850 Odometer Repair
ALTERNATOR Page
240 Power Mirrors - Switches
240 Oil Cooler Page
240 Fuse Panel Page
Group A Racing 242 Turbo Page
240 Hydraulic Clutch Fuel Pump RELAY Page
240 Headlight RELAY Page
Used Parts & Extra Stuff for sale
CRIMPING Page
240 Ignition Page
240 Headlight Page
240 Gauge Electrical Diagrams 240 REAR END Page Yoshifab Catch Can Install 240 TAILLIGHT Page
Side Marker Lights Page
Gentex Mirror Upgrade Yoshifab Drain Tube Install Modified 240 Favorites
SoCal Salvage Yards Unleaded Racing Fuel B26FT Stroker Dave's 245 Spec Page
240 SUSPENSION Page 240 Lowering Page
240 Windshield Page
240 WIPER Page
240 BRAKES Page
240 Dash Top Gauge Pod Cadillac 4-Note Horn Install 240 DYNAMAT Installation
4 Speed Fan Controller
Electric Cooling Fan Page
BRUSHLESS Cooling Fan Page
Tropical Fan Clutches
240 AC Page "KOMFORT BLINKER" Upgrade T5 Trans Conversion Page 240 Engine Mount Page
240 VIN Page Stepper Idle Valve Page
Vacuum Diagrams 240 HOOD Page
240 Exhaust Page 242 Power Vent Window Project EFI Volvo Pin Function Diagrams
Favorite Links
R-Sport Apparel
Prancing Moose Apparel
Volvo Meet Photo Albums Texas Volvo Meets and Events
Ordering Instructions Policies PAYMENTS Page
Mojave Road Trail Map Page
Returns Shipping Shopping Cart Troubleshooting Contact Us

Online Payments